Operation CHARM
: Car repair manuals for everyone.
Home
>>
Ford
>>
1993
>>
Probe L4-121 2.0L DOHC VIN A MFI
>>
Repair and Diagnosis
>>
Body and Frame
>>
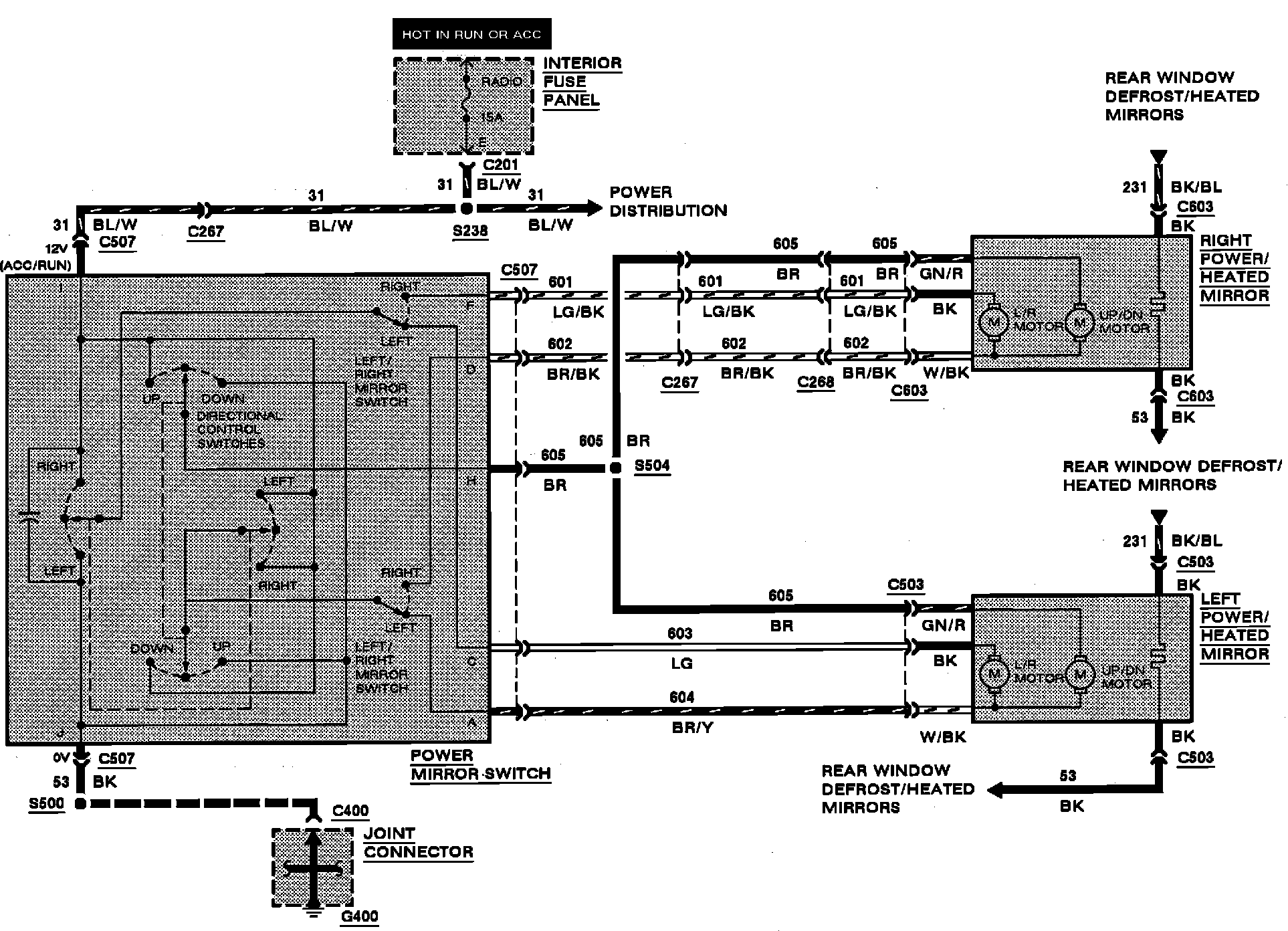
Mirrors
>>
Diagrams
>>
Electrical Diagrams
Electrical Diagrams
Power Mirrors: