Operation CHARM
: Car repair manuals for everyone.
Home
>>
Ford
>>
1993
>>
Probe L4-121 2.0L DOHC VIN A MFI
>>
Repair and Diagnosis
>>
Diagrams
>>
Electrical Diagrams
>>
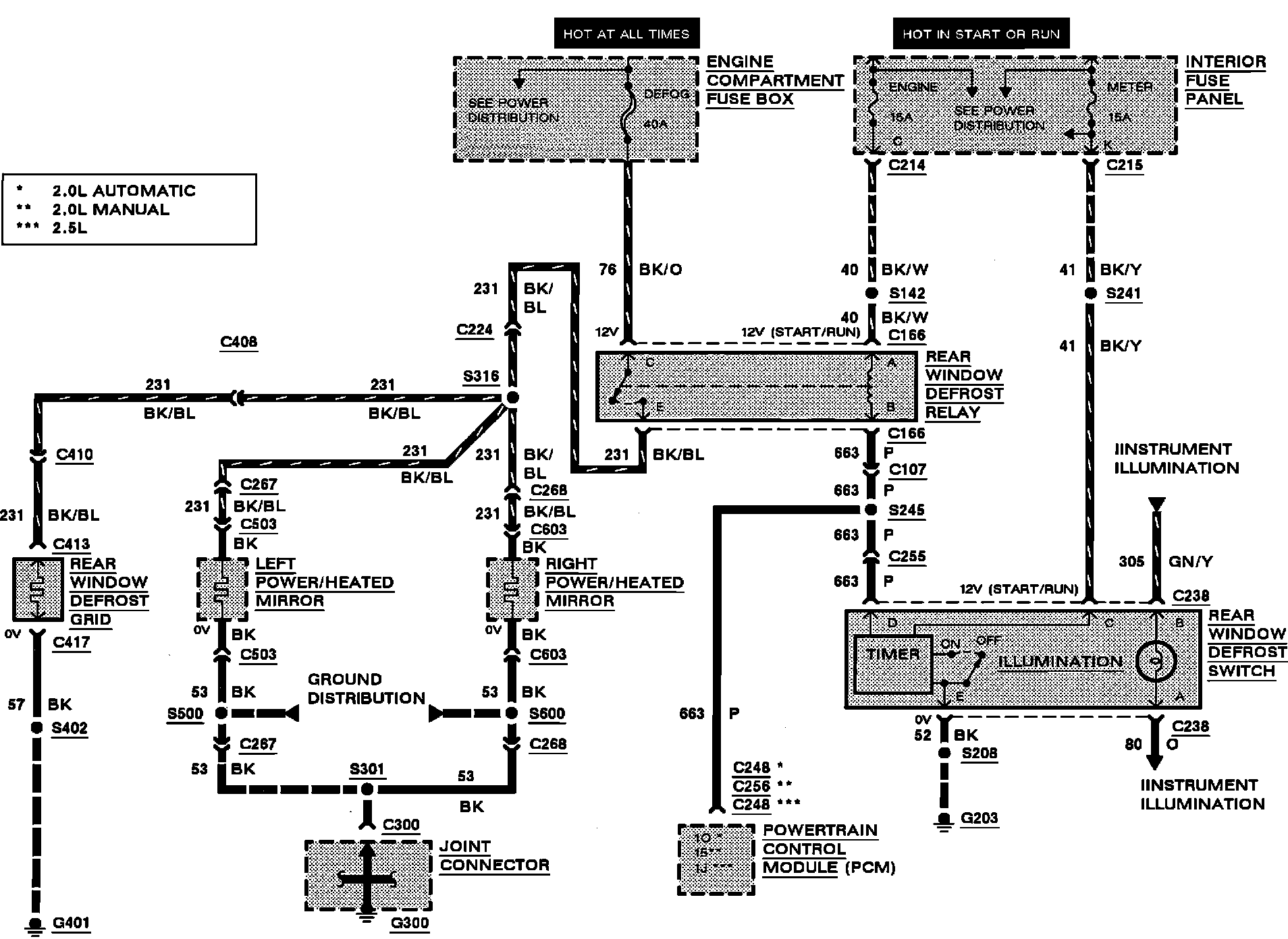
Heated Glass Element
Heated Glass Element
Rear Window Defrost/Heated Mirrors: