Operation CHARM
: Car repair manuals for everyone.
Home
>>
Ford
>>
1993
>>
Probe L4-121 2.0L DOHC VIN A MFI
>>
Repair and Diagnosis
>>
Diagrams
>>
Vacuum and Vapor Hose Diagrams
>>
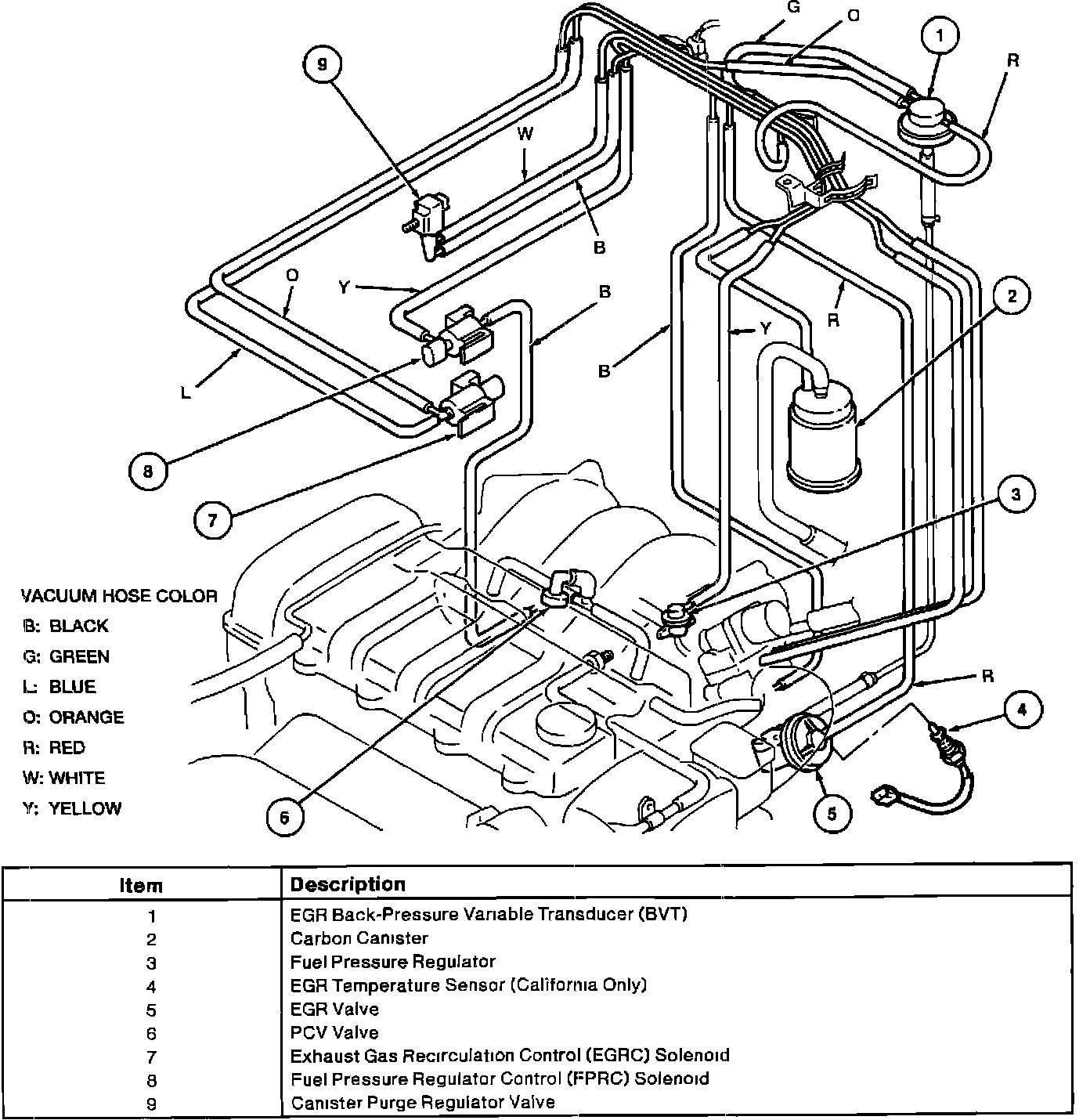
Fuel Delivery and Air Induction
Fuel Delivery and Air Induction
Vacuum Diagram: