Timing Belt: Service and Repair
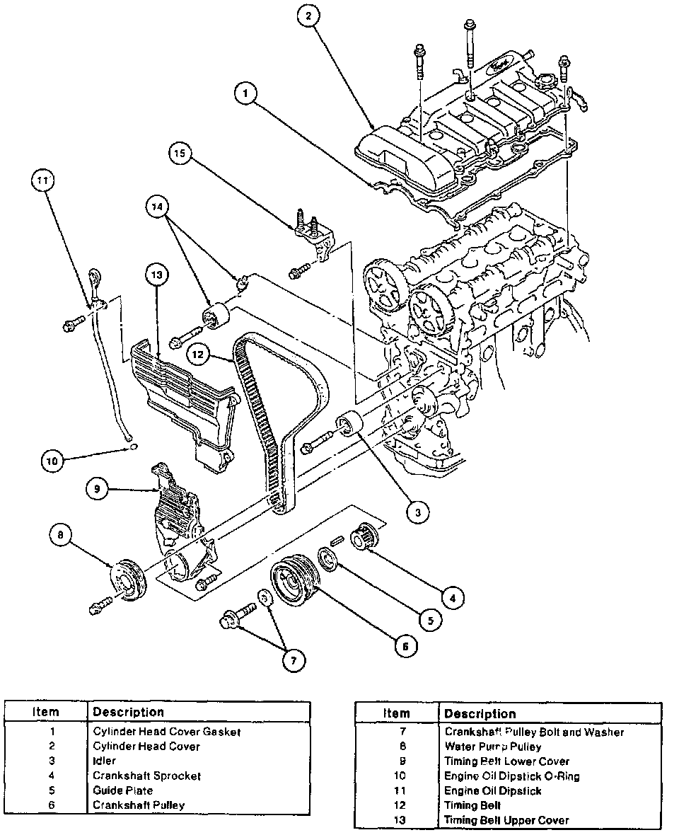
Fig. 15, Timing Belt Assembly:

1. Disconnect battery ground cable, then isolate cable end with electrical tape.
2. Remove cylinder head valve cover.
3. Remove power steering pump belt shield, then loosen adjusting bolt.
4. Loosen lock bolt and power steering pump through bolt, then remove power steering belt.
5. Loosen alternator adjusting bolt and alternator upper mounting bolt, then remove alternator belt.
6. Support engine using three bar engine support No. 014-00750 or equivalent.
7. Using suitable jack, raise engine slightly and remove righthand engine mount.
8. Remove timing belt upper cover.
9. Raise and support vehicle, then remove splash shields.
10. Using crankshaft pulley holder T92C-6316-AH or equivalent, remove crankshaft pulley attaching bolt.
11. Remove crankshaft pulley, sprocket and guide plate.
12. Remove timing belt lower cover bolts, then the cover.
13. Temporarily install crankshaft pulley attaching bolt.
Fig. 16, Aligning Timing Marks:

14. Turn crankshaft until timing mark on crankshaft sprocket lines up with timing mark on oil pump and camshaft sprocket timing marks (E and I) line up as shown.
Fig. 17, Positioning Camshaft Pulley Holding Tool:

15. Lower vehicle and insert camshaft pulley holding tool T92C-6256-AH or equivalent.
16. Use an allen wrench to turn timing belt tensioner and remove timing belt tensioner spring from hook pin.
17. Remove timing belt.
NOTE: If reusing old timing belt, mark direction of belt for installation reference.
18. Reverse procedure to install, ensuring all timing marks are aligned.