Operation CHARM
: Car repair manuals for everyone.
Home
>>
Ford
>>
1997
>>
Probe V6-153 2.5L DOHC VIN B MFI
>>
Repair and Diagnosis
>>
Diagrams
>>
Mechanical Diagrams
>>
Automatic Transmission/Transaxle
>>
Clutch, A/T
>>
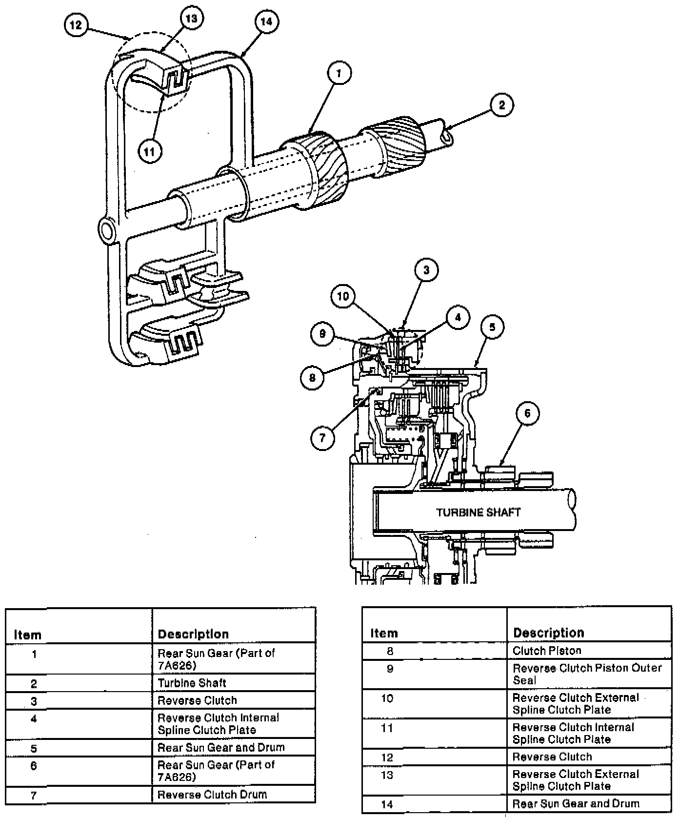
Reverse Clutch
Reverse Clutch