Operation CHARM
: Car repair manuals for everyone.
Home
>>
Ford
>>
1997
>>
Probe V6-153 2.5L DOHC VIN B MFI
>>
Repair and Diagnosis
>>
Engine, Cooling and Exhaust
>>
Engine
>>
Diagrams
>>
Exploded Views
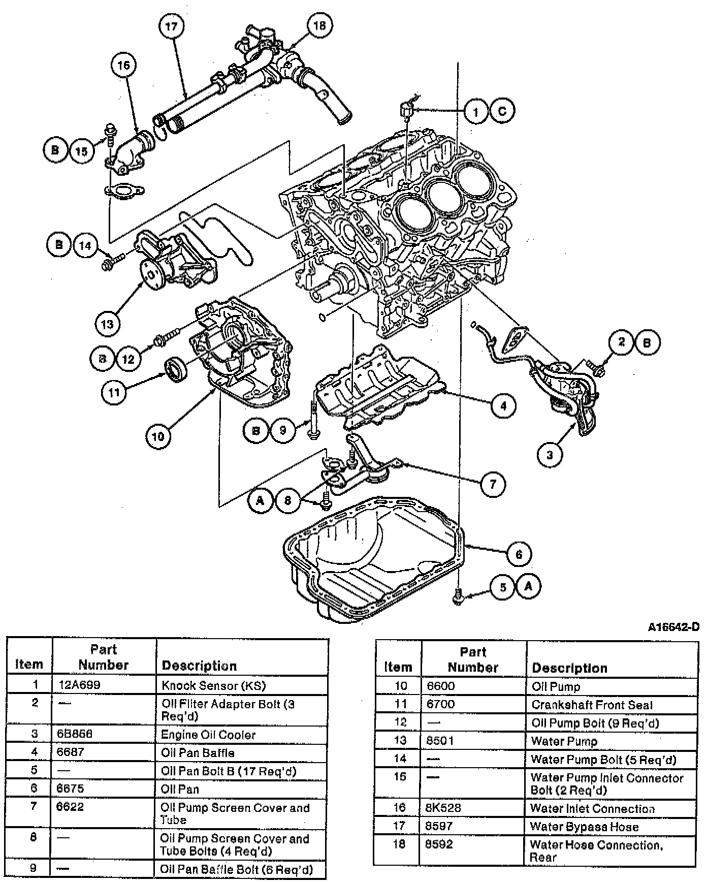
Exploded Views
(Part 1 Of 3):
(Part 2 Of 3):
(Part 3 Of 3):
(Part 1 Of 2):
(Part 2 Of 2):
(Part 1 Of 2):
(Part 2 Of 2):
(Part 1 Of 2):
(Part 2 Of 2):
(Part 1 Of 2):
(Part 2 Of 2):
(Part 1 Of 2):
(Part 2 Of 2):
(Part 2 OF 2):