Audible Warning Device Control Module: Service and Repair


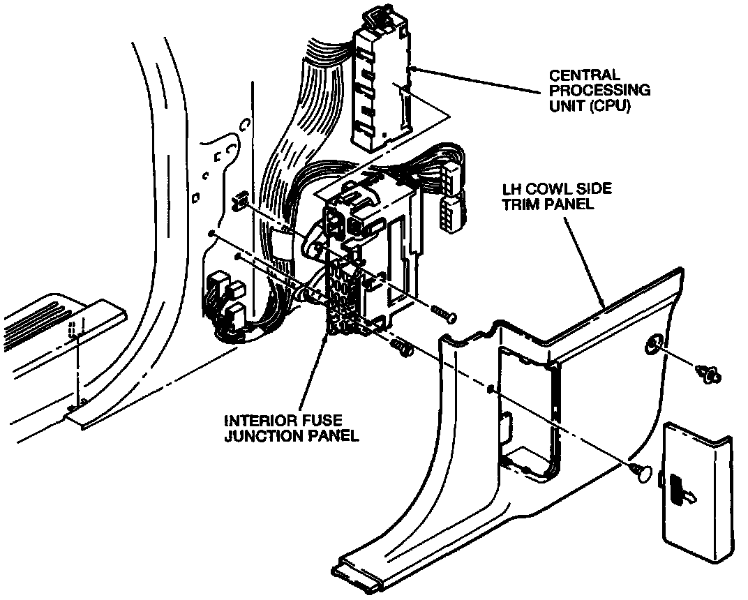
REMOVAL
1. Disconnect the battery ground cable.
2. Remove the driver's side cowl side trim panel.
3. Disconnect all electrical connectors from the CPU and interior fuse junction panel.
4. Remove the two screws and remove the CPU and interior fuse junction panel.
5. Disconnect the CPU from the interior fuse junction panel.
INSTALLATION
To install, reverse the removal procedure.