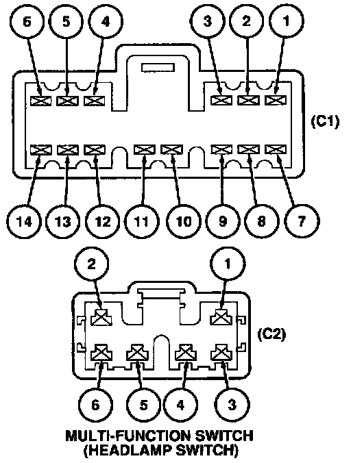
Headlamp Switch: Testing and Inspection
1. Key OFF.2. Disconnect the multi-function switch connectors C225 and C207.


3. Measure the resistance between these terminals on the multi-function switch C207 with the switch in the positions as indicated in the illustration.
4. Measure the resistance between terminal 8 and terminal 3 at the multi-function switch C225 with the switch in these positions:
Switch Position Resistance
Off Greater than 10,000 ohms.
Parking Lamps On Greater than 10,000 ohms.
Headlamps On Less than 5 ohms.
5. Measure the resistance between terminal 2 and terminal 3 at the multi-function switch C225 with the headlamp switch in these positions:
Switch Position Resistance
Off Greater than 10,000 ohms.
Parking Lamps or Headlamps On Less than 5 ohms.
6. If the resistances are not as specified, replace the multi-function switch. Otherwise, return to the pinpoint tests. Pinpoint Tests (Without Autolamps)