Operation CHARM
: Car repair manuals for everyone.
Home
>>
Ford
>>
1997
>>
Probe V6-153 2.5L DOHC VIN B MFI
>>
Repair and Diagnosis
>>
Maintenance
>>
Service and Repair
>>
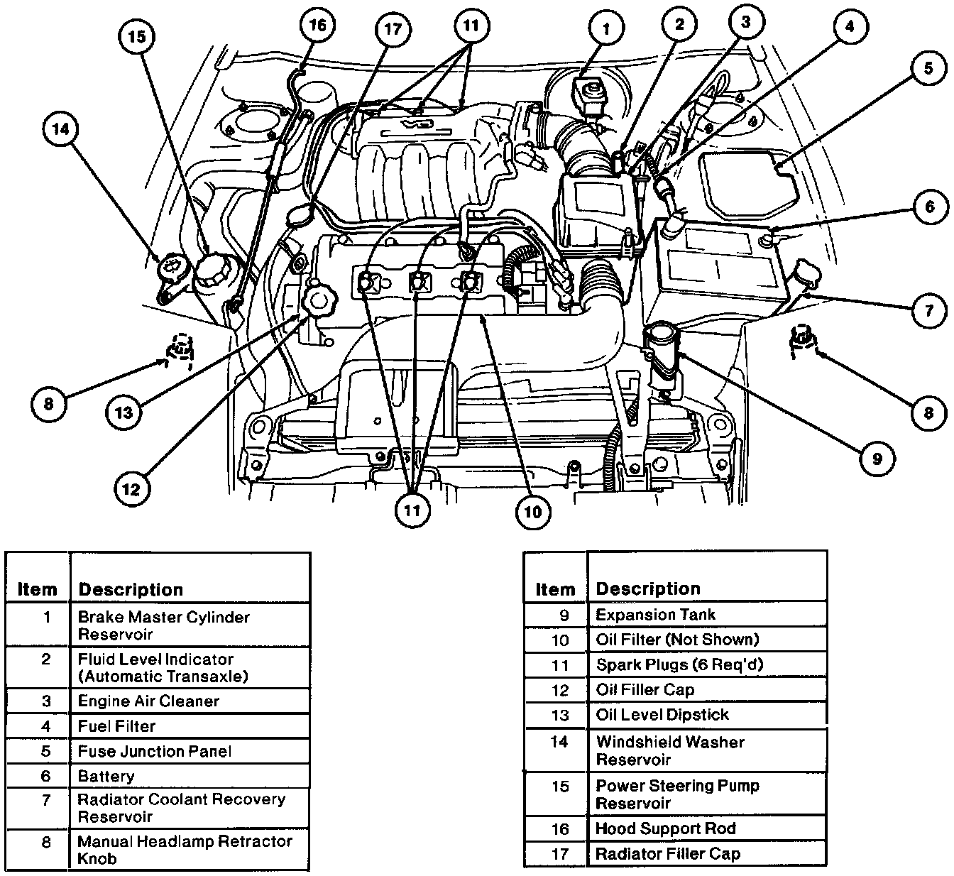
Service Points - Engine Compartment
Service Points - Engine Compartment