Operation CHARM
: Car repair manuals for everyone.
Home
>>
Ford
>>
1997
>>
Probe V6-153 2.5L DOHC VIN B MFI
>>
Repair and Diagnosis
>>
Powertrain Management
>>
Ignition System
>>
Diagrams
>>
Electrical Diagrams
>>
Wiring Diagrams
Wiring Diagrams
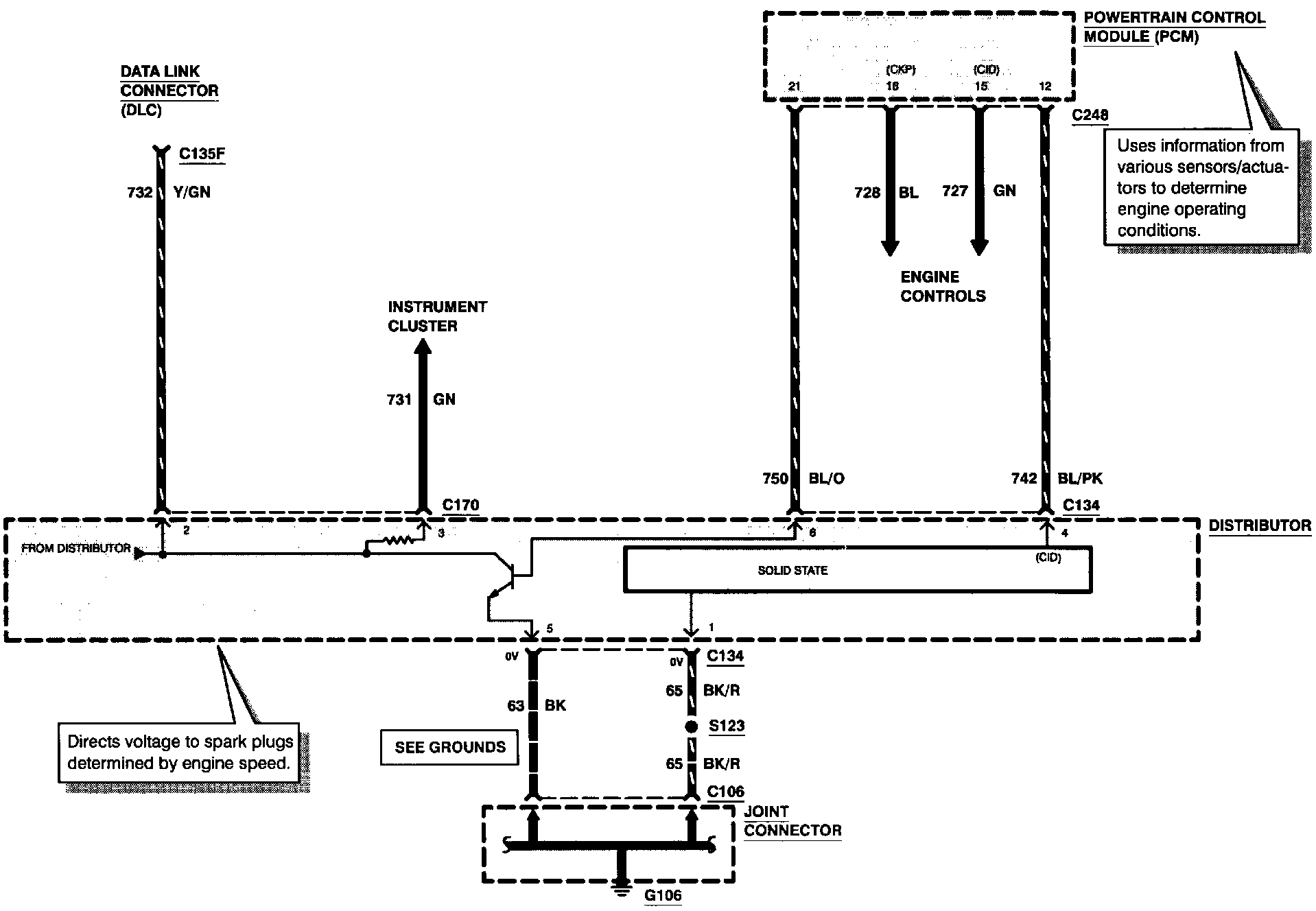
Ignition System (Part 1 Of 2):
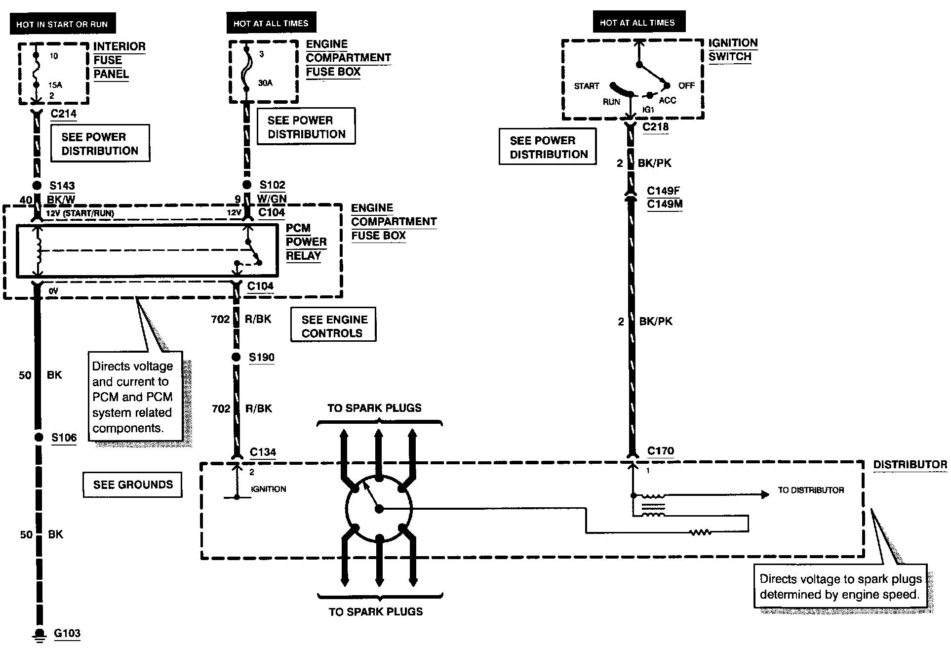
Ignition System (Part 2 Of 2):