Operation CHARM
: Car repair manuals for everyone.
Home
>>
Ford
>>
1997
>>
Probe V6-153 2.5L DOHC VIN B MFI
>>
Repair and Diagnosis
>>
Transmission and Drivetrain
>>
Manual Transmission/Transaxle
>>
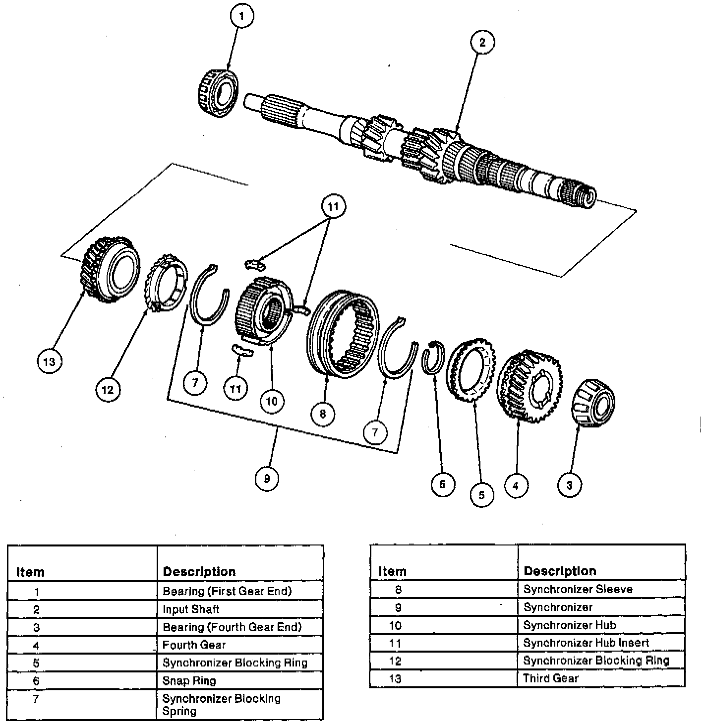
Input Shaft
>>
Diagrams
Input Shaft: Diagrams